山东亚青电力全体员工祝您身体健康,万事如意!

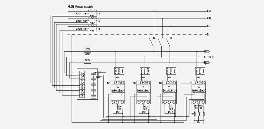
GGJ低压无功智能补偿装置,由于本装置能有效改善用电负荷的功率因数,降低线损,提高变压器的实际负载能力,具有显著的节能效果,同时在系统中采用特定的电抗器,还可以有效防止谐波放大、有效吸收大部分谐波电流,使谐电压总畸率限值及各次谐波电流含量限值符合标准,达到谐波治理的目的。而如果使用普通的接触器投切电容器组,带来的将会是大的浪涌电流,慢的补偿时间、高的维护费用和短的使用寿命,因此,我们建议用户在以下场合,能优先考虑使用动态无功补偿装置如:工矿企业的变电所、生产车间及民用建筑等的任压电网中,特别适合负荷经常变化,无功功率不稳定的输配电系统。
本产品符合:G8/T1 5576-2008《低压成套无功功率补偿设备》、IEC60439《低压成套开关设备和控制设备》等标准。

●环境温度:- 5℃~+40℃;
●相对湿度:不超过90%(20℃)
●海拔高度:不超过2000m
●周围环境:周围介质无爆炸危险,无足以损坏及腐蚀金属的气体,无导电尘埃,安装地不宜剧烈振动,无雨雪侵蚀。
通用性能强,该补偿柜可与国内外各种任意柜体进行组合,如MNS、GCK、GGD等;
电容补偿组合方式多样灵活。具有Y型补偿方式、A型补偿方式、Y+A组合补偿方式;
通讯方式多样性。具备RS-232/485通讯接口,无线数传模块或GPRS模块实行远距离通讯;
控制准确安全。实行电压过零触发,投入时无浪涌电流过零切除,分断时不产生高压;
使用寿命长,在免维护下,使用寿命长达10万小时以上。
